数电笔记
0基本半导体器件
0.1半导体二极管
0.1.1二极管特性
注:书上是将PN结和半导体二极管分开讲,因为两者很多特性相似,故在这里和在一起。
1.伏安特性
PN结的理想伏安特性:
: 反向饱和电流- V : PN结外加电压
: 温度的电压当量- k : 玻尔兹曼常数
: 电子电荷
(a)硅二极管的伏安特性曲线,虚线为PN结的理想伏安特性
(b)锗二极管的伏安特性曲线
2.正向、3.反向特性
| 硅管 | 锗管 | ||
|---|---|---|---|
| 2.正向特性 | 开启电压(门坎电压)Vth | 0.5V | 0.1V |
| 导通压降 | 0.6V-0.8V(0.7V) | 0.2-0.3V(0.3V) | |
| 3.反向特性 | 反向电流 | nA数量级 | uA数量级 |
4.温度特性
PN结温度升高时:
反向饱和电流
显著增加--PN反向电压具有正温度特性
温度每升高 , 约增加一倍。
为 时的反向饱和电流。正向电流升高(相当与保持正向电流不变,所需的正偏压减少)--PN结正向电压具有负温度特性

为保证PN结正常工作,有最高结温的限制: 硅半导体:
5.反向击穿特性
- 雪崩击穿--发生在低掺杂的PN结中,反向击穿电压较高(大于7V) 温度系数为正
- 齐纳击穿--发生在高掺杂的PN结中,反向击穿电压较低(小于4V)
- 在4~7V时,上述两种击穿可同时存在 反向击穿后应限制反向电流的增加
6.电容效应
PN结电容
正向偏置时,以
7. 其他参数
- 正向最大整流电流
(长期运行允许通过的最大半波整流电流的平均值) - 反向击穿电压
(通常将此电压 的一半作为允许的最高反向电压 ) - 反向电流
(室温下,加上最高反向工作电压时的反向电流) - 结电容
或关断时间(用于确定二极管能否在高频或高速开关下正常工作)
0.1.2二极管模型
非线性器件,进行线性化处理
(1) 理想模型

(2)大信号模型

(3)小信号模型
当

二极管基本应用电路分析例子
- 全波整流电路、桥式整流电路
- 限幅保护电路
- 门电路
- 低压稳压电路
0.1.3特种二极管
TODO 此处未整理完,以后再加
稳压二极管等,以后再理
0.2半导体三极管
BJT:双极性晶体管(英语:bipolar transistor),全称双极性结型晶体管(bipolar junction transistor, BJT),简称晶体管,俗称三极管。
结构与类型:NPN与PNP两种 从材料组成: 硅三极管(NPN),锗三极管(PNP)
工作时PN结的条件
发射结正向偏置,集电结反向偏置—放大状态
发射结正向偏置,集电结正向偏置—饱和状态
发射结反向偏置,集电结正向偏置—倒置工作状态
发射结反向偏置,集电结反向偏置—截止状态

曲线
输入特性曲线

工作状态的判断
方法1:
当三极管导通时,先假设放大状态进行计算,若计算结果
0.3场效应管
0.3.1各种场效应管

0.3.2伏安特性与电流方程
(1) 输出特性(漏极特性)
表示漏极电流iD与漏-源电压vDS之间的关系
特性与三极管相似,分为 3个工作区,但工作区的作用有所不同。 - 可变电阻区 - 放大区(恒流区、饱和区) - 截止区(夹断区)
(2) 增强型NMOS管的转移特性
(增强型PMOS管的控制特性与NMOS管相同,除了电压电流极性相反)
在一定
(3) 耗尽型NMOS的伏安特性

(4)JFET的伏安特性(以N沟道JFET为例)
伏安特性曲线和电流方程与耗尽型MOSFET相似。但要求

0.3.3场效应管的工作状态
(1) 可变电阻区
管子导通,但尚未预夹断 
不同FET类型对偏置电压的要求:


(2) 放大区(恒流区、饱和区)

(3) 夹断区(截止区)

3.1数字逻辑基础
3.1.1数字电路中的编码
二-十进制编码(BCD码)
BCD码是将十进制数中的10个数字分别用一组4位二进制数代替,俗称二-十进制代码(BCD Binary coded number) 常用的二-十进制代码如下表所示:
| 十进制数 | 8421码 | 5421码 | 2421码 | 余3码 | 余3循环码 | |
|---|---|---|---|---|---|---|
| 0 | 0000 | 0000 | 0000 | 0011 | 0010 | |
| 1 | 0001 | 0001 | 0001 | 0100 | 0110 | |
| 2 | 0010 | 0010 | 0010 | 0101 | 0111 | |
| 3 | 0011 | 0011 | 0011 | 0110 | 0101 | |
| 4 | 0100 | 0100 | 0100 | 0111 | 0100 | |
| 5 | 0101 | 1000 | 1011 | 1000 | 1100 | |
| 6 | 0110 | 1001 | 1100 | 1001 | 1101 | |
| 7 | 0111 | 1010 | 1101 | 1010 | 1111 | |
| 8 | 1000 | 1011 | 1110 | 1011 | 1110 | |
| 9 | 1001 | 1100 | 1111 | 1100 | 1010 |


符号数的编码表示
- 原码
- 反码
一个4位二进制数,它的最大数是10000,那么在这个最大数以内的任何一个数,如0101,它的最大数之间有以下关系,即
此时,最大数10000称为模,而1011和(-0101)对最大数而言,互为补码(对1011的每一位求反后加1,即课构成它的补码)
- 格雷码(Gray code) 任何相邻的两组代码之间只有一位码元不同,其他码元完全相同。

| 格雷码具有循环的效果,所以又有循环码和可靠性编码的叫法。 根据格雷码的编码规则,格雷码可以通过反射映射得到,3 位格雷码的反射过程如图 3.1.6 所示。 二进制数码 0、1 经第一次反射,得到 2 位格雷码。再经第二次反射,得到 3 位格雷码,依次类推。 |
|
3.1.2数字电路中的基本功能电路
1.与逻辑关系


2.与逻辑关系


3.非逻辑关系


4.与非逻辑关系

5.或非逻辑关系


6.与或非逻辑功能

7.异或逻辑功能


8.同或逻辑关系


3.1.3集成逻辑门电路的结构和特性
3.3.1 逻辑电平与噪声容限

3.3.2 TTL集成逻辑门
TTL集成逻辑门
以下PPT来自: B站王文俊【数字电子技术基础】 https://www.bilibili.com/video/BV18Z4y1Q7iq/
Folding 点击查看更多

<p>TODO 此处未整理完,以后再加</p>


TTL集成门电路的三种输出结构
推拉式结构

集电极开路结构(OC门) OC门只有输出逻辑0和开路(或悬空,高阻)两种状态。为了防止0C门输出逻辑状态不确定,使用时0C门输出必须外接上拉电阻
至电源 ,此时0C门的输出高电平将与所接电源 近似相等。
OC门的典型应用如下:(1)实现线与的逻辑功能。0C门的输出端可以直接连在一起,共用上拉电阻和电源,实现线与逻辑功能。线与连接的OC门实现了与或非的逻辑功能。如图3.1.39。逻辑表达式为:
(2)实现两种逻辑电平转换。0C门外接负载所用的电源可以和门电路的电源Vcc一致,也可采用不同于Vc的另一组电源如图3.1.38(a)中的Vcc,以改变或提高输出高电平值,实现逻辑电平的转换。
(3)实现电平指示。 如图3.1.40,0C门外接的上拉电阻
中若串联发光二极管,则可作为电平指示。
三态输出结构 除了输出高电平1和低电平0以外,还有高阻态输出。
是电路的使能控制端。 ,使能(工作)状态,输出1或0. ,输出高阻状态。

3.3.3 CMOS集成逻辑门
TODO 此处未整理完
CMOS传输门(TG门(Transmission Gate))
不但能传输逻辑电平,还能够传输模拟电压,常用于构成多路模拟开关。TG门的内部电路和逻辑符号如图3.1.46所示。

3.3.4门电路使用注意事项
- 多余输出端的处理
- 与和与非功能,多余输入端接正电源(逻辑1),或与使用端并联
- 或和或非功能,多余输入端接地(逻辑0),或者和使用端并联
-
TODO 此处未整理完,以后再加
3.1.4逻辑代数
#### 常用公式:
#### 运算规则:
代入规则 e.g.
,用 代替 ,有对偶规则 若将
,变换后记为 若 , 则反演规则 若将
,则变换后为
#### 卡诺图:
- 5变量卡诺图:以中心轴对称的小方格代表最小项相邻。
易错点
- 6->5->4->3->2->1->0->6 7进制减法计数器
- 采用奇校验方式传输11010010时 时 ,需增加的校验位为:1 。
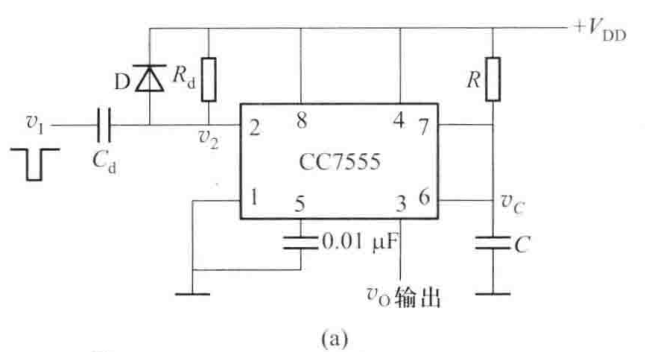
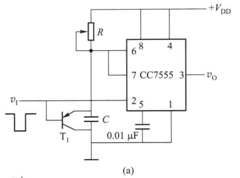
555定时器
1、接成施密特触发器 

2、单稳态触发器

不可重复触发: 

可重复触发:


3、多谐震荡电路 



3.2基本逻辑电路的分析与设计
3.2.1锁存器、触发器与定时器
基本RS锁存器


同步RS锁存器(门控RS锁存器)


同步D锁存器

边沿触发的 RS触发器
TODO 此处未整理完,以后再加

OC门的典型应用如下:
