电网络分析笔记

Hole Black Lv2

课件、图片来源:浙江大学-孙盾-电网络分析

1 双口网络

1.1 定义

四端(钮)网络: 具有四个端钮的网络。

双口网络: 四个端钮两两成对,每一对端钮的电流必须是一 进一出相等。这样对外呈现两个端口特性的网络称为二端口 网络,或称为双口网络。

1.2 分类

(1) - 线性:由线性元件组成的双口网络称为线性双口网络 - 非线性:否则称为非线性双口网络 (2) - 可逆:满足互易定理的双口网络称为可逆双口网络 - 不可逆:否则称为不可逆双口网络 (3) - 对称:旋转180°,两电路重合的双口网络称为对称双口网络 - 不对称:否则称为不对称双口网络

1.3 双口网络的参数

Y参数(短路参数)

称为Y参数矩阵或短路参数矩阵

  • 如果网络可逆, 不含受控源的双口网络满足互易定理,必定为可逆双口网络;

  • 如果网络对称,

Z参数

称为Z参数矩阵或开路参数矩阵

  • 如果网络可逆,

  • 如果网络对称,

T参数

:T参数矩阵或称传输参数矩阵

  • 如果网络可逆,

  • 如果网络对称,

  • 入端阻抗:

H参数

:H参数矩阵或称混合参数矩阵

B参数

逆传输参数矩阵

G参数

逆混合参数矩阵

1.4 互易双口网络的等效电路

只有3个参数

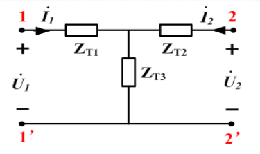
T型等效电路(可逆双口网络)

Z参数表示

T参数表示

型等效电路

##### T参数表示

Y参数表示(可逆双口网络)

1.5一般双口网络的等效电路

有很多,在此列出两种

1.6 双口网络的连接

串联

输入端口串联 输出端口串联 注意有效性问题

(1)有效串联时,串联后复合双口网络Z参数矩阵等于两串联双口网络Z参数矩阵相加。可推广到n端口串联。

Z参数有效连接时:

串联电流相等:

(2)具有公共端的双口网络,将公共端串联时不会破坏端口条件

(3)有效性试验

并联

输入端口并联,输出端口并联 注意有效性问题

(1)有效并联时,并联后所得复合双口网络的Y参数矩阵等于两个双口网络Y参数矩阵相加

Y参数有效连接时:

  1. 具有公共端的二端口,将公共端并在一起时不会破坏端口条件

(3)有效性试验

有公共接线的双口网络必满足并联有效性条件,例如两个三端网络并联必满足有效性条件。

级联

无有效性问题(总有效) 前一级双口网络的输出作为后一级双口网络的输入,如此连接的方式称为级联。

1.7双口网络的应用

1.7.1 运算放大器

集成运算放大器是非常重要的一种集成电路,它的应用十分广泛。主要应用在模拟信号的运算、放大、信号产生、变换及检测等电路中,是通过半导 体集成工艺制成的一种高增益、直接耦合式多级放大器。 各部分作用: 输入级采用差分放大电路 -> 低温漂,高共模抑制 比和高输入电阻

中间级采用CE(CS)电路 -> 高电压增益

输出级采用互补对称式射 极跟随器结构 -> 低输出电阻,较强 带负载能力

集成运放的电路符号
  • 反相输入端:输入信号与输出信号相位反相
  • 同相输入端:输入信号与输出信号相位同相
模型
  1. 具有“二高一低”特性。即高电压增益 、高输入电阻 、低输出电阻的多级直接耦合放大器。
  2. 在理想条件下,集成运算放大器可以等效成一个电压控制电压源(VCVS)。

1.7.2 回转器

能把一个端口的电流回转成另一个端口的电压或把 一个端口的电压回转成另一个端口的电流的器件。

基本方程

特点

负载变换器

能把一个阻抗或元件参数按一定比例进行变换并改 变其符号的双口器件。

1.7.3 负阻变换器

2 拉氏变换法分析电路

2.1 变换方程法

  1. 求出时的初值;

  2. 列出后的微分方程;

  3. 对微分方程进行拉氏变换;

  4. 求出响应的象函数;

  5. 利用拉氏反变换求时域响应。 ### 2.2 变换电路法--运算法

  6. 求出储能元件在时刻的初值;

  7. 画出运算电路模型; ( 将激励源的激励函数作拉氏变换; 元件用运算电路模型表示; 电路变量用象函数表示 )

  8. 套用所有的方法、定理求解响应的象函数;

  9. 利用拉氏反变换得到响应的时域解

复频域中(s域中)的电路元件模型:

2.2.1 电阻R

2.2.2 电容C

(1)称为复频域中的容抗 运算容抗

(2) 附加运算电压 方向

(3)两项合成

2.2.3 电感L

(1)称为复频域中的感抗 运算感抗

(2) 附加运算电压 方向

(3)两项合成

2.2.4 互感线圈

2.2.5 受控源

2.2.6 运算电路的建立

  • 电路定律的运算形式:

  • 元件 -> s域中元件模型->运算阻抗、运算导纳、附加运算电压 运算形式欧姆定理与直流电路、正弦交流电路(相量形 式)一致

  • KCL、KVL运算形式 与直流电路、正弦交流电路(相量形式)一致

在s(复频域)域中,可以套用各种电路的求解办法、定理

运算电路: 元件用运算模型表示,激励用象函数表示,电路变量用象函数表示

  1. 只用初始条件,运用运算法求解,跳变情况自动包含在响应中;电路概念强调不够;
  2. 在s域中,可以充分运用各种电路的求解方法和定理;
  3. 当激励为一般正弦交流函数时,求解计算复杂

3 网络函数

3.1 网络函数定义

含有一个单一激励源的电路,其零状态响应 r(t) 的象函数 R(S)与该激励 e(t) 的象函数 E(S)之比,称为网络函数,记为:H(S)

  • 网络函数是信号处理和控制系统中一个十分重要的概念, 网络函数完全决定了系统的输出响应特性和系统的稳定性.

3.2 网络函数形式

1. 策动点(驱动点)函数: 响应与激励处在同一端口 - 策动点阻抗 - 策动点导纳

2. 转移函数(传递函数): 响应与激励处在不同端口 - 转移阻抗: - 转移电流比:
- 转移电压比:
- 转移导纳:

3.3 网络函数计算

(1) 从微分方程求网络函数

的极点(分母的零点)就是特征方程的特征根

(2)从电路结构求网络函数

3.4 网络函数应用

由网络函数求取任意激励的零状态响应

时,即

就是冲激响应 网络函数和冲激响应构成一对拉氏变换对

3.5 网络函数与稳定系统的稳态响应的关系

#TODO

3.6 网络函数的零极点分析

评论